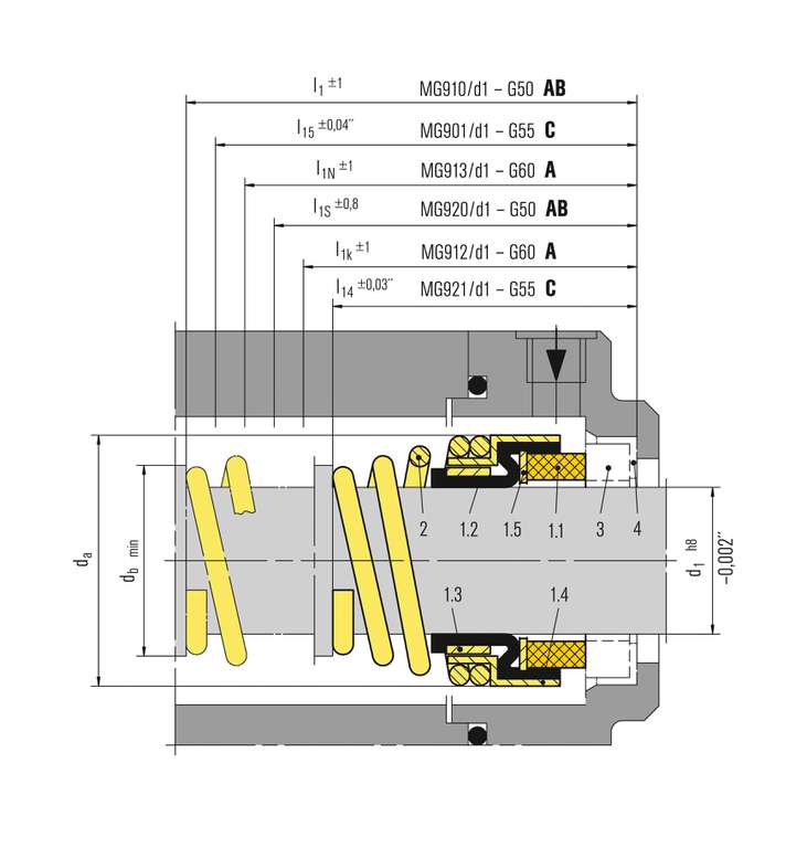
Item Part no. to
DIN 24250
Description
1.1 472 Seal face
1.2 481 Bellows
1.3 485 Driver collar
1.4 484.1 “L” ring (spring collar)
1.5 474 Washer
2 477 Spring
3 475 Seat
4 412 Rubber cup

MG9

Features

  • For plain shafts
  • Single and dual seal
  • Elastomer bellows rotating
  • Balanced
  • Independent of direction of rotation
  • No torsion on bellows and spring
  • Conical or cylindrical spring
  • Metric and inch sizes available
  • Special seat dimensions available
  • US Patent No. 6.220.601

Advantages

  • Fits into any installation space due to smallest outer seal diameter
  • Important material approvals available
  • Individual installation length can be achieved
  • High flexibility due to extended selection of materials
  • Universal application (standardization)

Operating range

Shaft diameter:
d1 = 10 … 100 mm (0.375" … 4")
Pressure: p1 = 12 bar (174 PSI),
vacuum up to 0.5 bar (7.25 PSI),
up to 1 bar (14.5 PSI) with seat locking
Temperature:
t = -20 °C … +140 °C (-4 °F … +284 °F)
Sliding velocity: vg = 10 m/s (33 ft/s)
Axial movement: ±0.5 mm

Materials

Seal face: Carbon graphite antimony impregnated (A), Carbon graphite resin impregnated (B), Silicon carbide (Q1)
Seat: Silicon carbide (Q1, Q2), Aluminium oxide (V)
Elastomer: NBR (P), EPDM (E), FKM (V), HNBR (X4)
Metal parts: CrNiMo steel (G)

Standards and approvals

  • EN 12756

Various material approvals available (depending on type and material combinations).
Please inquire!
  • FDA
  • WRAS
  • KTW
  • ACS
  • W270
  • NSF

Notes

A modular principle comprising a bellows unit for each shaft diameter and a correspondingly long spring (tapered or cylindrical spring) for individual length compensation regarding l1K, l1N and other installation lengths.

The MG9 can also be used as a multiple seal in tandem or in a back-to-back arrangement. Installation proposals can be supplied on request.

The entire MG9 series is available in metric and inch sizes.

Similar products

AX05

  • Unbalanced
  • Independent on direction of rotation

BT-A2

  • Unbalanced
  • Single spring
  • Independent of direction of rotation
  • Stationary spring-loaded unit

BT-AR

  • Single and dual seal
  • For plain shafts
  • Elastomer bellows rotating
  • Unbalanced
  • Independent of direction of rotation
  • Available in metric and imperial sizes
Contact

Inquire about individual solutions

We develop and produce customer-specific special and individual solutions for every application.

Inquire now Discover reference projects
Back to the overview